詳細信息

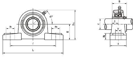
| 尺寸 Dimensions(mm)(inch) | - H42.9
- L165
- J121
- A48
- N17
- N121
- H117
- H283
- S15.9
- B38.1
|
|---|
| 螺栓 Bolt Used (mm) (in.) | - 螺栓 Bolt Used (mm) (in.)M14
|
|---|
無錫斯艾浮傳動機械有限公司專業生產銷售工程塑料帶座外球面軸承UCP206,UCP206相關信息有: 型號UCP206 內徑:30 外徑:38.1 厚度:167 品牌: SIAIF 系列:軸承座 ,想要更多的了解UCP206的相關信息,可以進行在線咨詢或者撥打熱線電話 ,我們會詳細為您服務。
UCP206使用范圍很廣,塑料帶座軸承UCP206主要應用于工程機械、機床、汽 車、冶金、礦山、石油、機械、電力、鐵路等行業,本公司生產的UCP206價格合理,保證質量,全方面的服務,盡一切滿足客戶的需求。
塑料外球面軸承座選魯岳不銹鋼軸承(無錫)有限公司,塑料外球面軸承座廠家主要生產SIAIF耐高溫軸承、不銹鋼軸承、塑料外球面軸承座,塑料外球面軸承座 ?UCP206產品相關信息:型號:UCP206, 品牌:SIAIF軸承 , 類型:塑料外球面軸承座 , 內徑:30mm , 外徑:165mm , 厚度:42.9mm , 想要更多的了解無錫塑料外球面軸承座 ?UCP206的相關產品信息,可以撥打服務熱線 ,我們會為您詳細介紹產品的相關服務。
魯岳不銹鋼軸承(無錫)有限公司生產的SIAIF塑料外球面軸承座 ?UCP206 使用范圍很廣,主要應用于鋼廠冶金、玻璃、高爐、噴漆設備、礦山機械、輸送機、傳輸裝置、鍋爐風機、真空設備、窯爐窯車、機床設備、工程機械、、輸送設備、顆粒機、振動篩、汽車、石油、電力、電機、風電設備等高溫作業機械。本公司生產的塑料外球面軸承座 ?UCP206>產品價格合理,保證質量,滿足客戶的產品工藝需求。