詳細信息

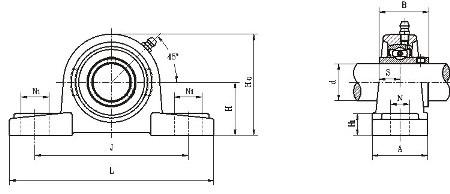
| 尺寸 Dimensions(mm)(inch) | - H57.2
- L206
- J159
- A60
- N20
- N125
- H121
- H2114
- S19.0
- B51.6
|
|---|
| 螺栓 Bolt Used (mm) (in.) | - 螺栓 Bolt Used (mm) (in.)M16
|
|---|
無錫斯艾浮傳動機械有限公司專業生產銷售POM材質塑料帶座外球面軸承UCP210,UCP210相關信息有: 型號UCP210 內徑:50 外徑:206 厚度:57.2品牌:SIAIF 系列:塑料外球面軸承座 ,想要更多的了解UCP210的相關信息,可以進行在線咨詢或者撥打熱線電話 ,我們會詳細為您服務。
塑料帶座外球面軸承UCP210使用范圍很廣,塑料帶座軸承UCP210主要應用于工程機械、機床、汽 車、冶金、礦山、石油、機械、電力、鐵路等行業,本公司生產銷售的POM塑料外球面軸承座UCP210價格合理,保證質量,全方面的服務,盡一切滿足客戶的需求。
塑料外球面軸承座選魯岳不銹鋼軸承(無錫)有限公司,塑料外球面軸承座廠家主要生產SIAIF耐高溫軸承、不銹鋼軸承、塑料外球面軸承座,塑料外球面軸承座 ?UCP210產品相關信息:型號:UCP210, 品牌:SIAIF軸承 , 類型:塑料外球面軸承座 , 內徑:50mm , 外徑:206mm , 厚度:57.2mm , 想要更多的了解無錫塑料外球面軸承座 ?UCP210的相關產品信息,可以撥打服務熱線 ,我們會為您詳細介紹產品的相關服務。
魯岳不銹鋼軸承(無錫)有限公司生產的SIAIF塑料外球面軸承座 ?UCP210 使用范圍很廣,主要應用于鋼廠冶金、玻璃、高爐、噴漆設備、礦山機械、輸送機、傳輸裝置、鍋爐風機、真空設備、窯爐窯車、機床設備、工程機械、、輸送設備、顆粒機、振動篩、汽車、石油、電力、電機、風電設備等高溫作業機械。本公司生產的塑料外球面軸承座 ?UCP210>產品價格合理,保證質量,滿足客戶的產品工藝需求。