詳細信息

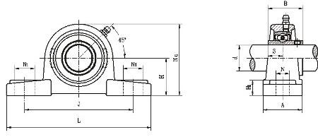
| 尺寸 | - H33.3
- L127
- J95
- A38
- N13
- N119
- H114
- H265
- S12.7
- B31.0
|
|---|
| 螺栓 | - 螺栓 Bolt Used (mm) (in.)M10
|
|---|
無錫斯艾浮傳動機械有限公司專業生產銷售300度/500度耐高溫帶座外球面軸承UCP203,品牌:SIAIF , 系列:耐高溫軸承 ,想要更多的了解耐高溫帶座軸承UCP203的相關信息,可以進行在線咨詢或者撥打熱線電話 ,我們會詳細為您服務。
300度/500度耐高溫軸承座UCP203使用范圍很廣,主要應用于工程機械、機床、汽 車、冶金、礦山、石油、機械、電力、鐵路等行業,本公司銷售的耐高耐帶座軸承UCP203價格合理,保證質量,全方面的服務,盡一切滿足客戶的需求。
高溫帶座外球面軸承選魯岳不銹鋼軸承(無錫)有限公司,高溫帶座外球面軸承廠家主要生產SIAIF耐高溫軸承、不銹鋼軸承、高溫帶座外球面軸承,高溫帶座外球面軸承 ?UCP203產品相關信息:型號:UCP203, 品牌:SIAIF軸承 , 類型:高溫帶座外球面軸承 , 內徑:17mmmm , 外徑:127mmmm , 厚度:65mmmm , 想要更多的了解無錫高溫帶座外球面軸承 ?UCP203的相關產品信息,可以撥打服務熱線 ,我們會為您詳細介紹產品的相關服務。
魯岳不銹鋼軸承(無錫)有限公司生產的SIAIF高溫帶座外球面軸承 ?UCP203 使用范圍很廣,主要應用于鋼廠冶金、玻璃、高爐、噴漆設備、礦山機械、輸送機、傳輸裝置、鍋爐風機、真空設備、窯爐窯車、機床設備、工程機械、、輸送設備、顆粒機、振動篩、汽車、石油、電力、電機、風電設備等高溫作業機械。本公司生產的高溫帶座外球面軸承 ?UCP203>產品價格合理,保證質量,滿足客戶的產品工藝需求。