詳細信息
帶加長內圈和緊定螺釘鎖緊的立式軸承座日本標準鑄鐵球軸承單元
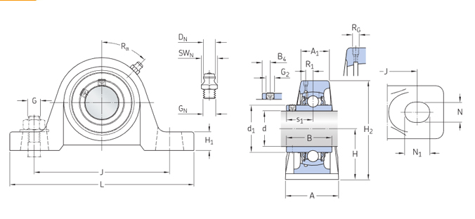
立式(軸臺式)球軸承單元包括一個安裝在鑄鐵軸承座內的嵌入式軸承,軸承座可通過螺栓安裝在支撐面上。 這種單元強度高,硬度大,適用于旋轉方向固定或交替的應用。 內圈兩側加長,通過擰緊內圈上的緊定螺釘鎖定在軸上,便于安裝。
堅固
適合恒定和交替旋轉
安裝方便
軸承已預填潤滑脂并配備密封
可在軸上快速鎖定
性價比高

規格
軸承編號 | UEL206-20 |
鎖定方式 | 偏心鎖緊環 |
房屋建設 | 雙螺栓基座 |
尺寸
底座到中心高度 H | 42.9 毫米 |
總長度 L | 165 毫米 |
外殼寬度 A | 48 毫米 |
螺栓孔間距 J | 121 毫米 |
螺栓孔尺寸 N | 17 毫米 |
螺栓孔長度 N1 | 21 毫米 |
腳高 H1 | 17 毫米 |
總高度 H2 | 84 毫米 |
尺寸 L1 | 48 毫米 |
尺寸 B1 | 48.4 毫米 |
從端 S 開始的軸承中心 | 18.3 毫米 |
螺栓尺寸 | M14 |
基本額定載荷
額定靜載荷 | 11300 N |
額定動態負載 | 19500 N |
魯岳不銹鋼軸承(無錫)有限公司生產的SIAIF帶座外球面軸承 ?UELP206-20 使用范圍很廣,主要應用于鋼廠冶金、玻璃、高爐、噴漆設備、礦山機械、輸送機、傳輸裝置、鍋爐風機、真空設備、窯爐窯車、機床設備、工程機械、、輸送設備、顆粒機、振動篩、汽車、石油、電力、電機、風電設備等高溫作業機械。本公司生產的帶座外球面軸承 ?UELP206-20>產品價格合理,保證質量,滿足客戶的產品工藝需求。


