詳細信息
帶加長內圈和緊定螺釘鎖緊的立式軸承座日本標準鑄鐵球軸承單元
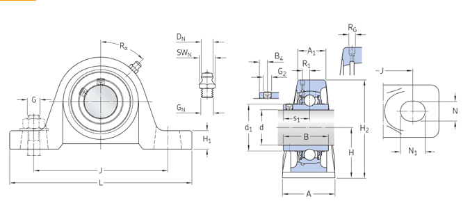
立式(軸臺式)球軸承單元包括一個安裝在鑄鐵軸承座內的嵌入式軸承,軸承座可通過螺栓安裝在支撐面上。 這種單元強度高,硬度大,適用于旋轉方向固定或交替的應用。 內圈兩側加長,通過擰緊內圈上的緊定螺釘鎖定在軸上,便于安裝。- 堅固
- 適合恒定和交替旋轉
- 安裝方便
- 軸承已預填潤滑脂并配備密封
- 可在軸上快速鎖定
- 性價比高

尺寸
| d | 60 mm | 孔徑 |
|---|---|---|
| d1 | ≈77 mm | 內圈擋邊直徑 |
| A | 62 mm | 底座寬度 |
| A1 | 37 mm | 最高寬度 |
| B | 65.1 mm | 內圈寬度 |
| B4 | 11 mm | 鎖定扣側面到螺紋中心距離 |
| H | 69.8 mm | 球面軸承位中央高度 |
| H1 | 22 mm | 螺柱高度 |
| H2 | 141.5 mm | 總高度 |
| J | 184 mm | 連接螺栓之間的距離 |
| J | max.189 mm | 連接螺栓之間的距離 |
| J | min.179 mm | 連接螺栓之間的距離 |
| L | 239.5 mm | 總長度 |
| N | 20 mm | 連接螺栓孔的直徑 |
| N1 | 25 mm | 連接螺栓孔的長度 |
| s1 | 39.7 mm |
RG | 1/8-27 NPT | 軸承座的油嘴螺紋 |
|---|---|---|
| R1 | 4 mm | 軸承座螺紋的軸向位置 |
| Rα | 45 ° | 軸承座螺紋的角度位置 |
DN | 6.589 mm | 油嘴的頂部球體直徑 |
|---|---|---|
| SWN | 11.11 mm | 油嘴的六角尺寸 |
| GN | 1/8-27 NPT | 油嘴螺紋 |
數據計算
| 基本額定動荷 | C | 52.7 kN |
|---|---|---|
| 基本額定靜負荷 | C0 | 36 kN |
| 疲勞負荷限值 | Pu | 1.53 kN |
| 極限轉速 | 2 700 r/min | |
| 鎖緊方式 | 偏心鎖環 |
重量
| 軸承單元重量 | 4.65 kg |
安裝信息
| 緊定螺釘 | G2 | M10x1.25 |
|---|---|---|
| 緊定螺釘的六角扳手尺寸 | 5.08 mm | |
| 推薦的緊定螺釘擰緊力矩 | 16.5 N·m | |
| 連接螺栓的推薦直徑,毫米 | G | 16 mm |
| 連接螺栓的推薦直徑,英寸 | G | 0.625 in |
包含的產品
| 軸承座 | P 212 |
| 軸承 | UEL 212 |
魯岳不銹鋼軸承(無錫)有限公司生產的SIAIF帶座外球面軸承 ?UELP212 使用范圍很廣,主要應用于鋼廠冶金、玻璃、高爐、噴漆設備、礦山機械、輸送機、傳輸裝置、鍋爐風機、真空設備、窯爐窯車、機床設備、工程機械、、輸送設備、顆粒機、振動篩、汽車、石油、電力、電機、風電設備等高溫作業機械。本公司生產的帶座外球面軸承 ?UELP212>產品價格合理,保證質量,滿足客戶的產品工藝需求。


