詳細信息

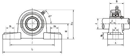
| 尺寸 Dimensions(mm)(inch) | - H1.3110
- L5.0000
- J3.7402
- A1.4961
- N0.5118
- N10.7480
- H10.5512
- H22.5590
- S0.5000
- B1.2205
|
|---|
| 螺栓 Bolt Used (mm) (in.) | - 螺栓 Bolt Used (mm) (in.)3/8
|
|---|
| 軸承 代號 Bearing No. | - 軸承 代號 Bearing No.UC203-11
|
|---|
無錫斯艾浮傳動機械有限公司專業銷售生產外球面軸承座UCP203-11,UCP203-11相關信息有: 型號UCP203-11 內徑:11/16 外徑:127 厚度:38 品牌:SIAIF 系列:外球面軸承座 ,想要更多的了解UCP203-11的相關信息,可以進行在線咨詢或者撥打熱線電話 ,我們會詳細為您服務。
UCP203-11使用范圍很廣,帶座軸承UCP203-11主要應用于工程機械、機床、汽 車、冶金、礦山、石油、機械、電力、鐵路等行業,本公司銷售的UCP203-11價格合理,保證質量,全方面的服務,盡一切滿足客戶的需求。
帶座外球面軸承選魯岳不銹鋼軸承(無錫)有限公司,帶座外球面軸承廠家主要生產SIAIF耐高溫軸承、不銹鋼軸承、帶座外球面軸承,帶座外球面軸承 ?UCP203-11產品相關信息:型號:UCP203-11, 品牌:SIAIF軸承 , 類型:帶座外球面軸承 , 內徑:11/16mm , 外徑:127mm , 厚度:38mm , 想要更多的了解無錫帶座外球面軸承 ?UCP203-11的相關產品信息,可以撥打服務熱線 ,我們會為您詳細介紹產品的相關服務。
魯岳不銹鋼軸承(無錫)有限公司生產的SIAIF帶座外球面軸承 ?UCP203-11 使用范圍很廣,主要應用于鋼廠冶金、玻璃、高爐、噴漆設備、礦山機械、輸送機、傳輸裝置、鍋爐風機、真空設備、窯爐窯車、機床設備、工程機械、、輸送設備、顆粒機、振動篩、汽車、石油、電力、電機、風電設備等高溫作業機械。本公司生產的帶座外球面軸承 ?UCP203-11>產品價格合理,保證質量,滿足客戶的產品工藝需求。